- The sulfuric acid device of digital sulfuric acid runs automatically
The Digital Sulfuric Acid System was developed by Eli Lilly and Company to redefine the control process of sulfuric acid production, enabling the digitization of plant management, the intelligence of the production process and the transparency of the state. This paper will discuss how to achieve automatic load command operation, automatic start, automatic stop and emergency stop of sulfuric acid plant. The automatic operation of sulfuric acid plant is one of the core functions of digital sulfuric acid system. This automatic operation mode has surpassed the dependence of traditional automatic control system on the operation of technicians. The automatic operation function of the digital sulfuric acid system allows for unattended automatic operation, requiring only a small number of equipment maintenance technicians. Through the digital sulfuric acid automatic operation system, the sulfuric acid production process can be completely automated technology.
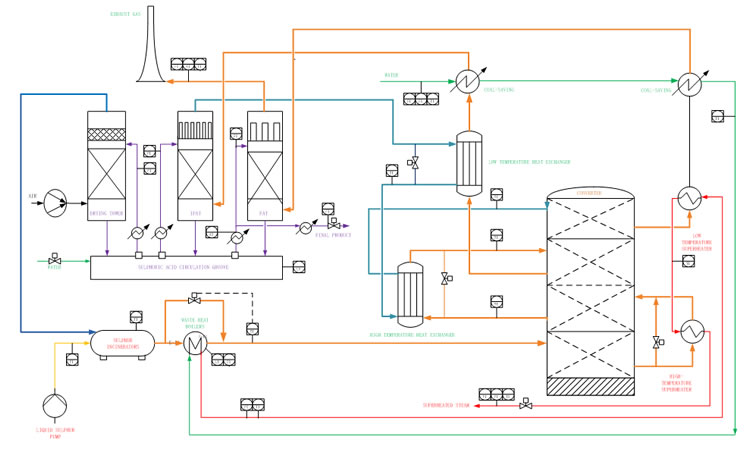
First, sulfuric acid plant process flow
Large-scale production of sulfuric acid is mainly through two methods: smelting flue gas acid production and sulfur acid production. Acid production from smelting flue gas uses sulfur dioxide (SO2), a by-product of smelting process, to maintain the required temperature of the system through the heat released by the conversion reaction. In this process, the key controls include the purification of the flue gas, the conversion of sulfur dioxide and the absorption of sulfur trioxide (SO3). Sulfur acid, on the other hand, produces sulfur dioxide by burning liquid sulfur, and releases a lot of heat, and then uses waste heat boilers to remove the heat in the flue gas to produce superheated steam. The flue gas then passes through a converter and an absorber to complete the acid production process. Although flue gas acid production and sulfur acid production both use the same sulfur dioxide conversion and sulfur trioxide absorption processes, they differ in raw material generation and the use of waste heat boilers. There is no dangerous chemical reaction and high temperature and high pressure environment in the purification process control flow of smelting flue gas to make acid. In contrast, sulfur acid production will produce high temperature flue gas and medium pressure superheated steam during the generation of sulfur dioxide, which makes its automatic control more difficult than smelting flue gas acid production. Therefore, the automatic operation of sulfuric acid plant discussed in this paper is illustrated by taking sulfur acid making plant as an example. The process flow chart is shown in Figure 1

Figure 1
Two, sulfuric acid device automatic operation
1. Command automatic driving
The directive covers several key steps, including the incineration of sulfur, the conversion of sulfur dioxide (SO2), the absorption of sulfur trioxide (SO3), and the recovery of waste heat. Desalinated water refining and liquid sulfur refining constitute independent subsystems. The automatic start command means that the process parameters of the device, such as temperature and pressure, have been adjusted to meet the start-up requirements and have been confirmed to meet the start-up conditions through the automatic start self-test procedure. Through the instructions, the fan can be started, the sulfur incineration process is automatically carried out, and the load growth curve of the device is automatically controlled to ensure that all process parameters are in line with safety and environmental standards. The process is designed for a smooth and economical start-up followed by a smooth transition to normal production and automated operation.
2. Command run automatically
After the start of the instruction, the conversion rate of the catalyst at each layer reached an equilibrium state, the waste heat recovery system began to produce steam that met the standard, and the absorption system also produced qualified sulfuric acid, marking the completion of the driving process. At this time, the device automatically switches to the command automatic operation mode. Automatic operation mode means that the device can automatically adapt to changes in the external environment and load, and automatically adjust the operating process parameters to keep the device running in the most economical state. In addition, the device also has the function of instrument fault diagnosis at critical control points, which can effectively prevent safety accidents caused by control instrument failure. If the ambient temperature changes while the load remains constant, the unit optimizes energy use through an online segmented conversion analyzer system. When the device and the downstream steam consumption device are running together, the steam load can be used as the instruction for automatic operation.
3. Command stop Emergency stop
During automatic operation, the unit may need to perform scheduled shutdown maintenance or emergency shutdown due to external environmental impacts, equipment health conditions, or downstream demands. The command stop of the device follows a specific logical sequence, which is mainly divided into two ways: system heat storage stop and blow out stop. The thermal storage shutdown is suitable for short-term maintenance of the plant, while the longer maintenance ensures that the temperature of the furnace and the various layers of catalysts can meet the requirements for restart. Blowout shutdowns are used to create maintenance conditions for drying towers and conversion systems, with the aim of reducing SO2 and SO3 leakage, thereby reducing environmental and maintenance disruption. As for emergency shutdown, it is an emergency measure taken when the device is facing a safety crisis or when the core equipment fails.
Three, automatic operation core control
1. Command driving core control
Device startup is divided into initial state and saturated state two cases. Initial state start-up refers to the first start of the device or after each shutdown for hot blow cooling maintenance, at this time there is no SO2 and SO3 in the system, the system needs to be heated to build up the pressure of the waste heat boiler. The saturated state start-up means that the device has not been cooled due to planned or emergency shutdown maintenance during operation, the temperature of the sulfur burner meets the conditions of sulfur-spraying, the temperature of each layer of catalyst in the conversion system is within the ignition range, and the pressure of the waste heat boiler has been established. When starting in the initial state, each device of the device is still in the expansion and moving state, and the temperature field of each layer of catalyst needs to be established. The balance of water vapor cycle needs to be established in the waste heat boiler. Therefore, the initial state startup takes longer time than the saturated state startup. This paper mainly introduces the core control points of the initial state startup.
2. Command automatic operation core control
The production load of sulfur acid is generally stable, and the operating load is adjusted only when there is a significant fluctuation in the steam load. Therefore, automatic load control is mainly adjusted according to the downstream steam demand load. When the automatic operating system receives the downstream load adjustment instruction, it will automatically adjust the operating load of the device. Figure 2 shows how this automatic load control can be run. The steam user W issues a load command, controls the target through the PID controller output, and regulates the flow of sulfur F and air Q. The wind proportioner distributes wind according to different load requirements to achieve the most economical operating efficiency. By conversion rate φ The optimizer adjusts the air volume of the current load to achieve the best balance of conversion and economic efficiency.

Figure 2
3. Command stop and emergency stop core control
Device shutdown involves stopping the delivery of energy to the system, including “ Sulfur ” And “ Air volume ” At the same time, ensure that the device is restored to a safe state. The process also involves shutting down other power equipment, such as “ Boiler top water pump ” And “ Acid circulating pump ” . According to the different parking instructions, the specific state of the device stop will also be different. For example, a normal stop command may require the device to be insulated, or a purge operation may be required, while an emergency stop has a different stopping function. Therefore, parking control can be subdivided into two types: command sequential parking and emergency parking.
Four. Conclusion
The automatic operation of sulfur acid making plant depends on the cooperative work of each subsystem. In order to ensure that the device can achieve automatic start, stable operation and automatic stop, it is necessary to master the key control principles at each stage. By using advanced control technology and building corresponding control model in the control system, the behavior of the device in different working states can be precisely controlled, so as to realize the automatic operation of the sulfur acid making device.


